반응형
릴레이는 코일에 구동전압을 인가하면 코일이 움직여 기계적으로 점접을 만들어 냅니다.

일반적으로 위와 같은 모습을 하고있습니다.
하지만 크기도 크고, 노이즈도 심해 반도체를 이용한 릴레이인 SSR을 이용하기도 합니다.
물론 스위치등으로 이용하는 IC로 TR이나 FET가 있지만, 릴레이처럼 전압극성이 고려해야해서
완벽한 릴레이처럼 사용하기 힘듦니다.
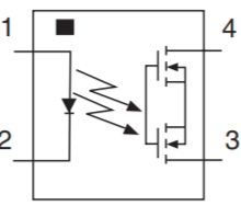
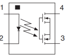
SSR은 반도체형의 릴레이로 FET나 트라이액을 이용하여 릴레이처럼 만듭니다.


내부구조를 보면 위와 같이 되어 있습니다.
앞쪽의 포토커플러단은 구현하기가 힘들어서 FET만을 이용하여 구성해 보겠습니다.

테스트에 사용한 N채널 FET입니다.

위와 같이 FET의 Source끼리 연결하고, 게이트와 소스단에 전압을 인가해주면 T1과 T2의 드레인이 연결됩니다.
그럼 릴레이와 같은 효과를 얻을 수 있습니다.

테스트를 위해 빵판에 회로를 구성하였습니다.
그리고 스위치 역할을 할 회로를 위해 타이머 NE555를 이용하여 회로를 구성했습니다.

타이머 회로입니다.
타이머회로의 구성에는 여러가지가 있는데 위회로에서는 R2와 C2의 값에 따라 ON/OFF가 동일 듀티비로 동작합니다.
대략 0.69*R*C 정도의 주기가 나옵니다.

빵판에 타이머 회로를 구성하였습니다.
눈으로 타이머의 동작을 확인하기 위해 아래 LED를 연결하였습니다.
이제 동작을 시켜보겠습니다.
반응형
'Study > HardWare' 카테고리의 다른 글
| 포토커플러와 브릿지다이오드로 SSR(전자릴레이)만들기2 (0) | 2020.11.11 |
|---|---|
| TVS (Transient voltage suppressor) - diode (0) | 2020.09.24 |
| 돌입전류 측정방법(with 오실로스코프) (2) | 2020.09.09 |
| 정전류회로 for LED Driver (0) | 2020.09.03 |
| 모터 선정과 감속기 선정 (3) | 2020.05.26 |